Web Analytics Made Easy - Statcounter
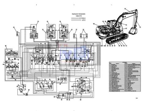
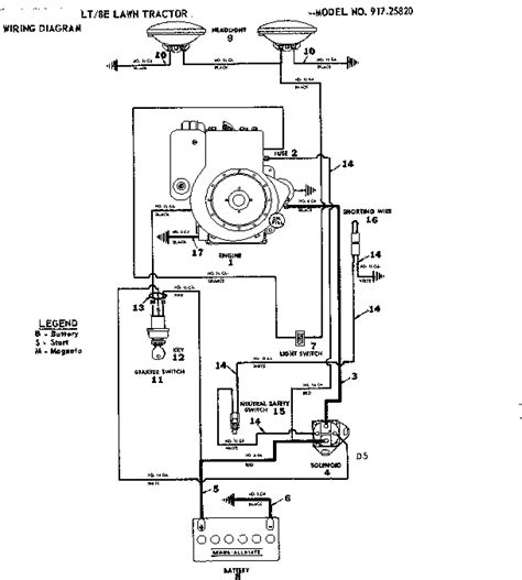
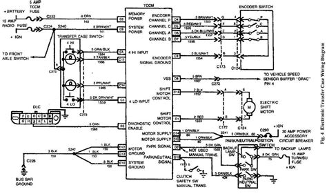
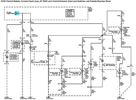
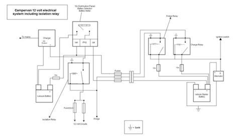
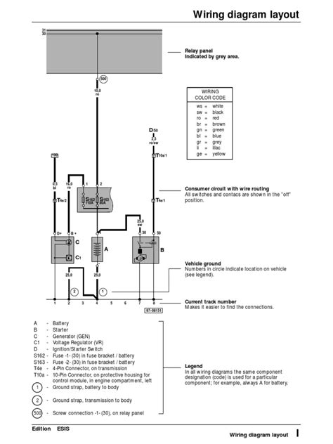
Craftsman PYT 9000 Wiring Diagram: DIY Repair Made Simple!

Craftsman PYT 9000 Wiring Diagram: DIY Repair Made Simple!

Craftsman PYT 9000 Wiring Diagram: DIY Repair Made Simple! Craftsman pyt 9000 wiring diagram